20000 TL ÜZERİ KARGO BEDAVA TÜM ELEKTRONİK ÜRÜNLER 24 AY GARANTİLİ TİCARİ TERAZİ TALEPLERİNDE MUTLAKA BİLGİ VERİNİZ İSTANBUL ANADALU VE KOCAELİ GEBZE BÖLGESİ 1 GÜNDE TESLİMAT

BK2 Loadcell

0.0 Puan - 0 Yorum
Marka
Stok Kodu
GWTAF2F5PN
Stok Durumu
Tahmini Kargo Süresi :
BK2 Lama Tipi Yük Hücresi 

Ürün Hakkında : 

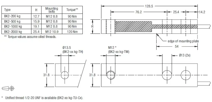
• Model BK2, geliştirilmiş korumalı, lama tipi yük hücresi olup, endüstriyel ortamlarda kullanım için son derece uygundur.
• Patlayıcı ortamlar için ATEX onaylı versiyonunu sipariş ediniz.
• Yer Kantarları, Palet Kantarı, Mobil Tartım, Tank & Silo Tartımı, Asılı Tartım Sistemleri, Kontrol Tartımları, Konveyör Kantarı, Endüstriyel Prosesler, Paketleme & Dolum için kullanıma uygundur.
• Materyal : Paslanmaz Çelik
• IP67 Koruma Sınıfına sahiptir

Öne Çıkan Özellikler

Bağlantı

Analog

Tip

Lama Tipi

Uygulamalar

Yer Kantarları, Palet Kantarı, Mobil Tartım, Tank & Silo Tartımı, Asılı Tartım Sistemleri, Kontrol Tartımları, Konveyör Kantarı, Endüstriyel Prosesler, Paketleme & Dolum

Sertifika

OIML, ATEX

Materyal

Paslanmaz Çelik

Maksimum Kapasite

200 kg, 500 kg, 1 t, 2 t

Koruma Sınıfı

IP67

Bağlantı Şekli

Metrik

certificates
certificates
certificates
certificates
certificates
certificates
Bu ürüne ilk yorumu siz yapın!
Ürün hakkında henüz soru sorulmamış.
BK2 Loadcell GWTAF2F5PN
BK2 Loadcell

Tavsiye Et

*
*
*
Hoş Geldiniz
Hızlı ve güvenli alışverişe giriş yapın!
Henüz Üye Değil Misiniz?
Kolayca üye olabilirsiniz!
ideasoft e-ticaret paketleri ile hazırlandı.