20000 TL ÜZERİ KARGO BEDAVA TÜM ELEKTRONİK ÜRÜNLER 24 AY GARANTİLİ TİCARİ TERAZİ TALEPLERİNDE MUTLAKA BİLGİ VERİNİZ İSTANBUL ANADALU VE KOCAELİ GEBZE BÖLGESİ 1 GÜNDE TESLİMAT

BY538 Loadcell

0.0 Puan - 0 Yorum
Marka
Stok Kodu
4ETZEVMAMC
Stok Durumu
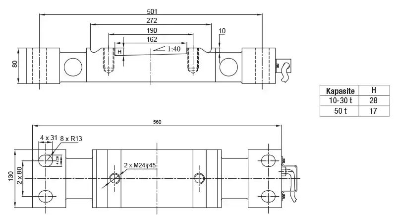
Kapasite
10 Ton 30 Ton 50 Ton
Tahmini Kargo Süresi :
BY538 Çift Mesnetli Lama Tipi Yük Hücresi 

Ürün Hakkında : 

• BY538, alașımlı çelik yapıda, kaynaklı ve IP67 koruma sınıfına haiz yüksek performanslı bir yük hücresidir.Doğrudan ray altına bağlanabilen yapısı ile özellikle tren ve benzeri raylı mekanizmalar için kolay ve hassas tartım imkânı sağlar.
• Demiryolu Kantarı, Vinç Kantarları, Tank & Silo Tartımı, Yüksek Kapasiteli Uygulamalar, Özel Tartımlar, Endüstriyel Prosesler için kullanıma uygundur. 
• Materyal : Nikel Kaplamalı Alaşımlı Çelik

Öne Çıkan Özellikler

Bağlantı

Analog

Tip

Çift Mesnetli Lama Tipi

Uygulamalar

Demiryolu Kantarı, Vinç Kantarları, Tank & Silo Tartımı, Yüksek Kapasiteli Uygulamalar, Özel Tartımlar, Endüstriyel Prosesler

Materyal

Nikel Kaplamalı Alaşımlı Çelik

Maksimum Kapasite

10 t, 30 t, 50 t

Koruma Sınıfı

IP67

certificates
certificates
Bu ürüne ilk yorumu siz yapın!
Ürün hakkında henüz soru sorulmamış.
BY538 Loadcell 4ETZEVMAMC
BY538 Loadcell

Tavsiye Et

*
*
*
Hoş Geldiniz
Hızlı ve güvenli alışverişe giriş yapın!
Henüz Üye Değil Misiniz?
Kolayca üye olabilirsiniz!
ideasoft e-ticaret paketleri ile hazırlandı.