20000 TL ÜZERİ KARGO BEDAVA TÜM ELEKTRONİK ÜRÜNLER 24 AY GARANTİLİ TİCARİ TERAZİ TALEPLERİNDE MUTLAKA BİLGİ VERİNİZ İSTANBUL ANADALU VE KOCAELİ GEBZE BÖLGESİ 1 GÜNDE TESLİMAT

BYP60 Loadcell

0.0 Puan - 0 Yorum
Marka
Stok Kodu
CFDAPYQV12
Stok Durumu
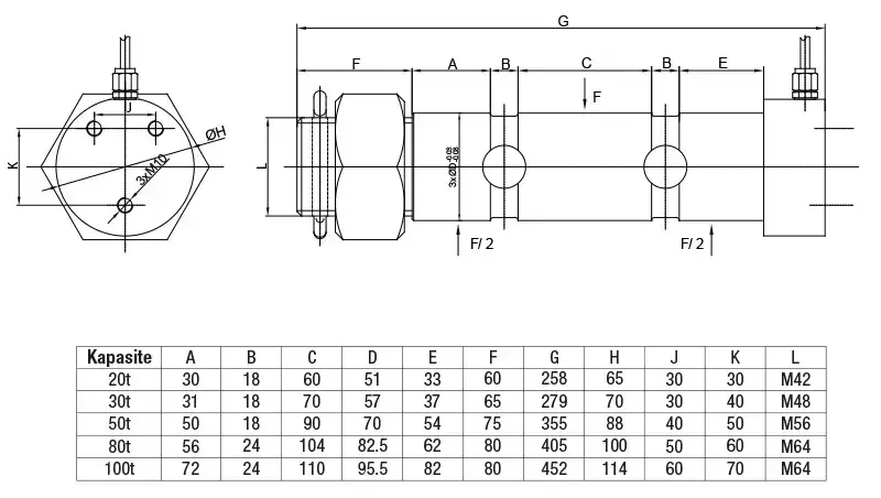
Kapasite
100 Ton 20 Ton 30 Ton 50 Ton 80 Ton
Tahmini Kargo Süresi :
BYP60 Pin Tipi Yük Hücresi 

Ürün Hakkında : 

• Model BYP60, yüksek performanslı çelik yapıda, özel tip bir yük hücresidir. Ağır sanayi, madencilik, açık deniz, denizaltı ve havacılık gibi bir çok zorlu ortamda kullanım için uygun bir üründür.
• Tipik kullanım alanları halat kasnakları, iskele babaları, vinçler ve güvenlik limiti olan uygulamalardır. Talep halinde Baykon analog veya dijital dönüștürücüler, ağırlık ve kuvvet göstergeleri, PC / PLC yazılımı ile birlikte sağlanmaktadır.
• Vinç Kantarları, Yüksek Kapasiteli Uygulamalar, Özel Tartımlar, Endüstriyel Prosesler, Aşırı Yük Sınırlama için kullanıma uygundur.
• IP67 koruma sınıfına sahiptir
• Materyal : Nikel Kaplamalı Alaşımlı Çelik 

Öne Çıkan Özellikler

Bağlantı

Analog

Tip

Pin Tipi

Uygulamalar

Vinç Kantarları, Yüksek Kapasiteli Uygulamalar, Özel Tartımlar, Endüstriyel Prosesler, Aşırı Yük Sınırlama

Materyal

Nikel Kaplamalı Alaşımlı Çelik

Maksimum Kapasite

20 t, 30 t, 50 t, > 50 t

Koruma Sınıfı

IP67

certificates
certificates
Bu ürüne ilk yorumu siz yapın!
Ürün hakkında henüz soru sorulmamış.
BYP60 Loadcell CFDAPYQV12
BYP60 Loadcell

Tavsiye Et

*
*
*
Hoş Geldiniz
Hızlı ve güvenli alışverişe giriş yapın!
Henüz Üye Değil Misiniz?
Kolayca üye olabilirsiniz!
ideasoft e-ticaret paketleri ile hazırlandı.