20000 TL ÜZERİ KARGO BEDAVA TÜM ELEKTRONİK ÜRÜNLER 24 AY GARANTİLİ TİCARİ TERAZİ TALEPLERİNDE MUTLAKA BİLGİ VERİNİZ İSTANBUL ANADALU VE KOCAELİ GEBZE BÖLGESİ 1 GÜNDE TESLİMAT

MY11 - MYA Pipet Kalibrasyonu için Adaptör

0.0 Puan - 0 Yorum
0 USD + KDV
Marka
Stok Kodu
1YCHHK69GZ
Stok Durumu
Tahmini Kargo Süresi :
Hızlı Gönderi
MY11 - MYA Pipet Kalibrasyonu için Adaptör

Ürün Hakkında :

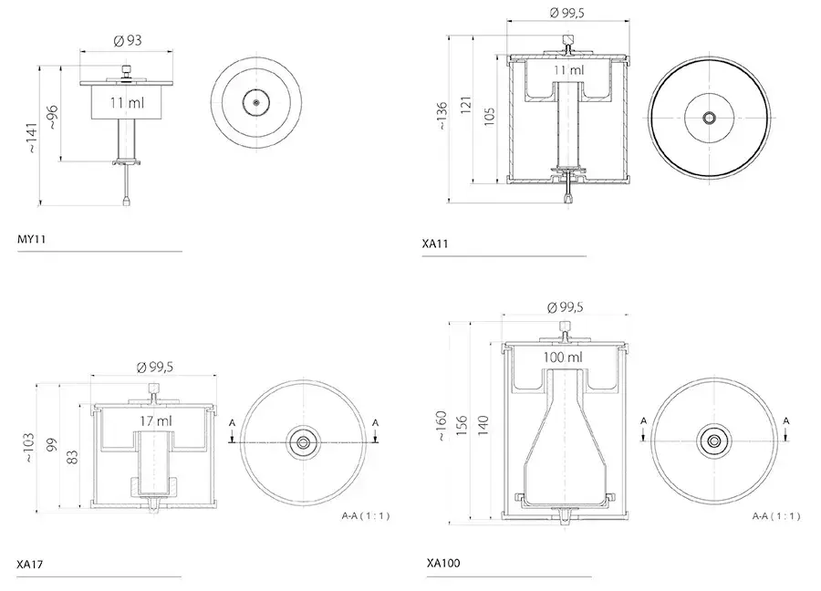
• MY11 pipet kalibrasyon adaptörü, MYA mikro terazisini kullanan bir gravimetrik yöntemle pistonlu pipetlerin kalibrasyonunu ve/veya doğrulanmasını sağlar.
• Pipet kalibrasyon adaptörleri, gravimetrik yöntemle pistonlu pipetlerin kalibrasyonu ve doğrulanması için tasarlanmıştır. Pipet kalibrasyon adaptörünün kullanılması, tartım kabının kütlesine göre terazinin maksimum kapasitesini azaltır. Tablo, ISO 8655 standardına göre minimum gereklilikleri göstermektedir. Ayrıca pipet kalibrasyonu ve ilgili terazi versiyonu için uygun adaptörün seçilmesini sağlar.

Bu ürüne ilk yorumu siz yapın!
Ürün hakkında henüz soru sorulmamış.
MY11 - MYA Pipet Kalibrasyonu için Adaptör 1YCHHK69GZ
MY11 - MYA Pipet Kalibrasyonu için Adaptör

Tavsiye Et

*
*
*
Hoş Geldiniz
Hızlı ve güvenli alışverişe giriş yapın!
Henüz Üye Değil Misiniz?
Kolayca üye olabilirsiniz!
ideasoft e-ticaret paketleri ile hazırlandı.