20000 TL ÜZERİ KARGO BEDAVA TÜM ELEKTRONİK ÜRÜNLER 24 AY GARANTİLİ TİCARİ TERAZİ TALEPLERİNDE MUTLAKA BİLGİ VERİNİZ İSTANBUL ANADALU VE KOCAELİ GEBZE BÖLGESİ 1 GÜNDE TESLİMAT

RC1 Loadcell

0.0 Puan - 0 Yorum
Marka
Stok Kodu
AWF7X4Z3EG
Stok Durumu
Kapasite
25 Ton 40 Ton 50 Ton
Tahmini Kargo Süresi :
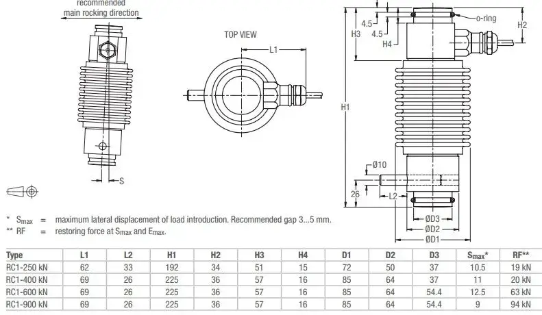
RC1 Baskı Tipi Yük Hücresi 

Ürün Hakkında : 

• Model RC1 Baskı Tipi Yük Hücresi IP68 Koruma Sınıfına sahip, tamamen hermetik izolasyona sahip, Baskı Tipi Yük Hücresidir. Zorlu endüstriyel ortamlarda kullanım için son derece uygundur.
• Patlayıcı ortamlar için ATEX onaylı versiyonunu sipariş ediniz.
• Kamyon Kantarı, Tank & Silo Tartımı, Yüksek Kapasiteli Uygulamalar, Özel Tartımlar, Endüstriyel Prosesler, Test Makineleri için kullanıma uygundur.
• Materyal : Paslanmaz Çelik 

Öne Çıkan Özellikler

Bağlantı

Analog

Tip

Baskı Tipi

Uygulamalar

Kamyon Kantarı, Tank & Silo Tartımı, Yüksek Kapasiteli Uygulamalar, Özel Tartımlar, Endüstriyel Prosesler, Test Makineleri

Sertifika

OIML, ATEX

Materyal

Paslanmaz Çelik

Maksimum Kapasite

25 t, 40 t, > 50 t

Koruma Sınıfı

IP68

certificates
certificates
certificates
certificates
certificates
certificates
Bu ürüne ilk yorumu siz yapın!
Ürün hakkında henüz soru sorulmamış.
RC1 Loadcell AWF7X4Z3EG
RC1 Loadcell

Tavsiye Et

*
*
*
Hoş Geldiniz
Hızlı ve güvenli alışverişe giriş yapın!
Henüz Üye Değil Misiniz?
Kolayca üye olabilirsiniz!
ideasoft e-ticaret paketleri ile hazırlandı.