20000 TL ÜZERİ KARGO BEDAVA TÜM ELEKTRONİK ÜRÜNLER 24 AY GARANTİLİ TİCARİ TERAZİ TALEPLERİNDE MUTLAKA BİLGİ VERİNİZ İSTANBUL ANADALU VE KOCAELİ GEBZE BÖLGESİ 1 GÜNDE TESLİMAT

XA11 - XA Pipet Kalibrasyonu için Adaptör

0.0 Puan - 0 Yorum
Marka
Stok Kodu
TR86WF4XYF
Stok Durumu
Tahmini Kargo Süresi :
Hızlı Gönderi
XA11 - XA Pipet Kalibrasyonu için Adaptör

Ürün Hakkında :

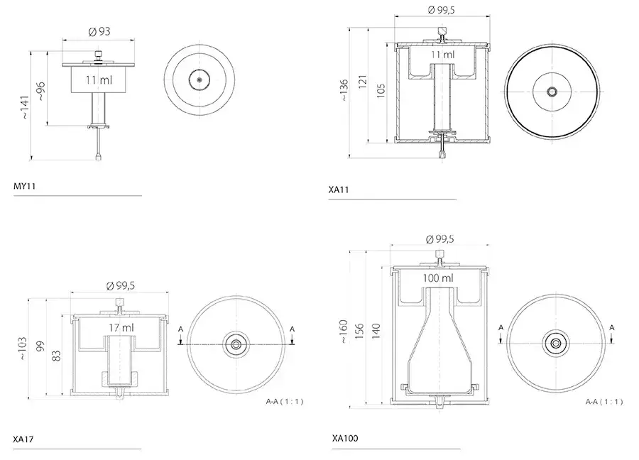
• XA11 pipet kalibrasyon adaptörü, XA mikro terazi kullanan bir gravimetrik yöntemle pistonlu pipetlerin kalibrasyonunu ve/veya doğrulanmasını sağlar.
• Buharlaşma halkası, tartım odası içindeki bağıl nemi artıran adaptörün ayrılmaz bir parçasıdır. Kalibrasyon/doğrulama sırasında bu sıvının buharlaşması durdurulur.
• Entegre bir tartım kefesi, kabın tartım odasında merkezi olarak yüklenmesini sağlar. Tartım kefesi ve kap, kullanıcının içinden sıvı dağıtmasına izin veren ve hava akımlarını azaltan bir açıklığa sahip bir cam hazne içine yerleştirilmiştir.

Bu ürüne ilk yorumu siz yapın!
Ürün hakkında henüz soru sorulmamış.
XA11 - XA Pipet Kalibrasyonu için Adaptör TR86WF4XYF
XA11 - XA Pipet Kalibrasyonu için Adaptör

Tavsiye Et

*
*
*
Hoş Geldiniz
Hızlı ve güvenli alışverişe giriş yapın!
Henüz Üye Değil Misiniz?
Kolayca üye olabilirsiniz!
ideasoft e-ticaret paketleri ile hazırlandı.